研究者に聞く
Interview

甲斐沼 美紀子(写真左)
社会環境システム研究領域・統合評価モデル研究室長
原沢 英夫(写真右)
社会環境システム研究領域・環境計画研究室長
社会環境システム研究領域・統合評価モデル研究室長
原沢 英夫(写真右)
社会環境システム研究領域・環境計画研究室長
アジア太平洋地域における温暖化対策統合評価モデル(AIM)の開発に取り組んでいる甲斐沼美紀子さんと、原沢英夫さんに研究のねらい、成果、エピソードなどを聞きました。お2人は現在、「温暖化の影響評価と対策効果プロジェクト」の総合研究官を併任し、この分野の研究を精力的に進めています。
AIMの誕生
-
Q:今回は地球温暖化影響・対策研究で、AIMを取り上げました。まずは足かけ11年間に及ぶ開発のきっかけからお願いします。甲斐沼:AIMとはAsian-Pacific Integrated Modelの略で、その頭文字を取ってAIMと呼んでいます。日本語では「アジア太平洋地域における温暖化対策統合評価モデル」です。統合評価モデルとは、経済、エネルギー、土地利用、気象、陸域生態系、海洋など多分野に及ぶ広範囲な現象から、政策的要請に関係する要素を選び出し、関係性を見るために開発される計算機シミュレーションモデルのことです。この種のモデルは、政策決定やその基礎となる研究の全体の理解を得ることを目的にしていまして、地球環境問題のような複合した巨大な系を対象とする場合に用いられます。
1980年代後半から地球環境問題がクローズアップされ、私たちのチーム「温暖化影響・対策研究チーム」(当時)ができました。この問題を政策的に扱うためには、まず温室効果ガスの排出量を予測し、それが気候をどのくらい変化させ、その結果、農業、健康などにどのような影響を及ぼすかを、一連の流れとして予測して行く必要がありました。このため、全体をつないで評価できる統合評価モデルを作ることになりました。モデルの開発に当たっては、当初から京都大学の松岡譲教授の参画をいただきました。 -
Q:アジア太平洋地域における統合評価モデル、AIMはなぜ誕生したのですか。原沢:80年代終わりから90年代にかけて米国、欧州を中心に温暖化影響をシミュレーションする統合評価モデルの研究が行われていました。とくにオランダは温暖化問題に対して積極的で、すでにモデルの開発が始められていました。私たちはゼロからのスタートだったので、いろいろなところから勉強を始めました。
そこでまず何が重要かを考えたときに、アジアの問題が頭に浮かびました。アジア地域は、人口規模は膨大ですが、経済規模は欧米に比べれば相対的には小さく、二酸化炭素(CO2)排出量は先進国に比べれば少ないです。しかし今後人口も増え、経済も急速に発展することを考えると、CO2の排出量は急速に増えていくことが予想されます。このまま放っておくと21世紀の終わりくらいには、アジア地域の排出量が世界の半分を占める可能性すらあります。これはたいへんなことです。
アジアからの排出量を抑えていくために研究者に何ができるのかを考えました。温暖化などグローバルな問題は、研究も国内だけをターゲットにするのではなく、より広い地域をカバーする研究が求められています。欧米では欧米全域をターゲットにしたモデル、あるいはよりマクロなものですが世界全体モデルがあります。私たちは、アジア地域をカバーできる、より詳細なモデルを構築し、アジア地域の研究者、行政関係者に利用してもらえるものをつくっていこうと考え、始めたのが誕生の理由でしょうかね。
AIMの構造
-
Q:AIMそのものはどういうものですか。統合評価モデルとおっしゃいましたが、非常に複雑なモデルを作って、それにさまざまな数値を入れて行うものだろうと想像するのですが。甲斐沼:AIMは政策課題や国際機関の要請に応じてそれぞれ開発していきます。AIMの主要モデル(次頁左下)を見てください。一度に全体のモデルができたわけではなくて、いろいろなパーツに分けて段階的に作り、それを組み合わせて、政策課題に対応していきます。
-
Q:それぞれのパーツをもう少し具体的に説明してください。甲斐沼:AIMは大きく分けて3つのモデル群で構成されています。CO2やメタンなどの温室効果ガスの排出量を算定する排出量算定モデル群、その排出量算定に基づいて今度は、どのくらい大気中のガス濃度が変化して気温が上がるかを予測する気候計算モデル群、さらに気候変化の影響を予測する温暖化影響モデル群です。各モデル群は4〜7つのモジュールで構成されています。目的に応じてこれらを組み合わせたり、単独で使ったりします。
たとえば排出量算定モデル群は、温室効果ガス排出の原因となる社会経済活動を再現するもので、経済メカニズムとこれらの活動の関係を再現する経済モデル、国内産業や私たち一般の生活を含めてエネルギー消費がどう変化するかを予測するエネルギーモデル、農地の拡大などの土地利用変化によってどの程度の森林が伐採されるかを予測する土地利用モデルなどがあります。 -
Q:排出量算定モデル群中の経済モデルですが、具体的なモデルの中身はどうなっているのですか。甲斐沼:経済モデルは、エネルギーや食料などの将来の需要と供給を推計し、その消費量を算定するために使います。また、温暖化対策によってこれらの需要や供給に変化が出てきたとき、経済全体の活動量がどの程度変化するかを計算するときにも使います。たとえば、今後の経済発展のためにどのくらいエネルギーが必要になるか、また、そのためにさまざまなエネルギーをどのくらいの値段で供給できるか、その中で石炭や石油、天然ガスといった化石燃料がどのくらいの割合を占めているか、などを計算します。そしてCO2の排出量が予測できます。また、温暖化対策によってエネルギーの価格が上がったとき、エネルギーをたくさん使う産業の生産が減り、逆にエネルギーを節約する機器を作る産業は伸び、その結果、経済全体の活動レベルがどのくらい変化するかについても予測できます。
-
Q:このような予測には不確実さが伴うと思うのですが。甲斐沼:そのとおりです。たとえば、エネルギーを効率的に使う技術がたくさん入ってくれば、それだけ化石燃料の消費量は減る可能性がありますし、温暖化対策をやっても経済全体の活動レベルが下がらないことになります。このため、どのような技術がどの時点で入ってくるかについても、予測モデルを作っています。
-
Q:そうすると経済モデルは技術モデルと組み合わせて使っているのですか。甲斐沼:そうですね。技術モデルによってエネルギー効率を計算し、それをもとに経済モデルを動かしています。経済モデルでは全体の効率のみを扱いますが、技術モデルではそれを個々の技術に落として、どの技術がこう変わったから効率がこれだけ上がったという説明ができます。2つのモデルをうまくリンクさせながら全体の予測を行っていきます。
| 排出量算定モデル群 | 気候計算モデル群 | 温暖化影響モデル群 |
|---|---|---|
| 世界経済モデル | 炭素循環モデル | 水資源影響モデル |
| エネルギー技術選択モデル | 大気化学反応モデル | 農業影響モデル |
| マテリアルリサイクルモデル | 全球平均気候モデル | 潜在自然植生変化モデル |
| 産業モデル | 地域気候内挿モデル | 健康影響モデル |
| 土地利用モデル | 影響の経済評価モデル | |
| シナリオ作成用リンケージモデル | ||
| コミュニケーション用簡略モデル |
AIMの技術モデル
-
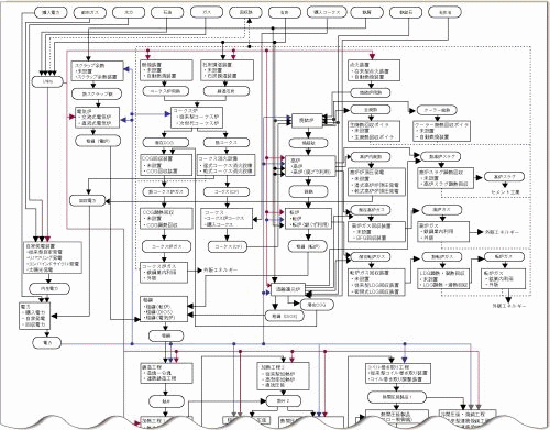
Q:技術モデルを少し詳しく説明して下さい。甲斐沼:それでは鉄鋼の例をお話しします。鉄を生産する際、いろいろな過程でエネルギーが使われます。コークス生成、粗鋼生産、鋳造のそれぞれの工程に対応した技術が使われますが、使われる技術によってエネルギー消費量が違ってきます。たとえば、粗鋼生産に使う炉は大きく分けて高炉、電気炉、溶融還元炉の3種類があります。電気炉の場合はくず鉄を使うので、鉄鉱石から鉄鋼を作るよりエネルギーが少なくてすみ、品質を度外視すれば省エネとなります。溶融還元炉は、次世代のものと考えられており、エネルギー効率がよいのが特徴です。高炉は今の標準的な技術です。
省エネ型技術は従来型技術に比べ、導入価格は比較的高価なんです。したがって、最初の技術導入時の価格差とランニングコストとしての燃費の価格差を比較して、省エネ型技術を導入するかどうかが決まります。炭素税を課すなどで石油価格が高くなると、ランニングコストが大きくなって省エネ機器が導入されやすくなりますし、また、省エネ機器に補助金が出れば、初期のコストが安くなって省エネ機器は普及しやすくなります。鉄の場合はコークスを作る過程で可燃ガスが出ますし、大量の廃熱がいろいろなところから出ますので、それを再利用することも考慮しなければなりません。実際には下の図のようなフローチャートをつくり、計算式を用いた思考実験を行って最適な技術の組み合わせを選び、同時にエネルギーの種類と温室効果ガスの排出量を算定します。 -
Q:AIM技術モデルは中国などですでに使われているのですか。甲斐沼:国際共同研究を通じて中国、インド、韓国などで使われています。ただし、技術のメニューは国によって違います。中国では日本で使われていないエネルギー効率の悪い平炉がまだ現役です。各国でエネルギー技術やプロセスなどが違うため、技術モデルはそれに合わせて作る必要があります。また、鉄などの製品は国際的に取引されるので、経済モデルを用いて日中間の鉄の輸出入なども予測します。
AIMの影響モデル

京都大学 松岡教授
-
Q:中国の技術選択のシミュレーションなど大いに興味がわきそうですね。次に気候変化とその影響を分析するモデルの中身をお願いします。原沢:気候計算モデル群では、排出された温室効果ガスが大気中でどのくらい留まるかをまず計算します。このため、大気と海洋との間や大気と陸域生態系の間の炭素の流れを再現します。また、大気中でメタンなどがどのように化学変化するかについても計算します。そして、大気中に留まった温室効果ガスの濃度をもとに将来の気温の変化や雨の降り方の変化を予測します。
-
Q:影響モデルについてはどうですか原沢:影響モデルの場合、地域の影響をより詳しくみるために地理情報システムを用いたモデルの開発を行っていますが、基礎となるデータがなかなか入手できず、結構たいへんな作業です。とくにアジアは日本を除いてデータが乏しいので、多くの研究者と協力関係を作りながらデータベースを継続的に整備しているという状況です。京都大学の松岡先生が中心となってモデルの構成などアイデアを出し、プロトタイプを作って実際にデータを使いながら検証しています。一つのモデルを数年くらいかかって作っています。その後、それをGCMから得られた将来のいろいろな気象条件ごとにモデルでシミュレートして、影響を分析していきます。
-
Q:将来気温が上がって降水量に変化は出るのですか。原沢:降水量そのものは気候モデルの中に降雨など水循環を表わすしくみが入っています。気候を形づくる雲の話とか雨が降り蒸発してまたどこで降るとかですね。気候変動の影響はGCMの計算結果、気温、降水などをモデルに入れて行っています。気温に比べると降水量の予測は難しいので、影響の場合は最低3つぐらいのGCMの結果を使って計算し、比較しながら解析します。ある気候モデルだけが絶対ということはないのですから。
AIMの貢献
-
Q:外国でも同じようなモデルがありますね。それらとAIMとの大きな違いはどこにあるのでしょうか。原沢:欧米のモデル開発の場合、先進国の専門家が一方的に途上国モデルを作って、「こうなりますよ」と結果を置いていくのがほとんどです。一方AIMの場合は、アジアの研究者が自ら自国のモデルを作り上げることを基本にしています。自分たちの手でモデルを作り、それを国の政策に生かしていくことを目的にしています。このやり方は今後とも変えません。
-
Q:気候変動枠組条約(UNFCCC)やIPCC*におけるAIMの関わりはどのようなものですか。原沢:UNFCCCについては、京都議定書に関する政策分析を行っています。またIPCCについては、排出シナリオの作成やアジア地域の影響の面で貢献しています。排出シナリオは各国から排出されるCO2などの量を想定するものです。気候変動関係の研究は、IPCCが作成した排出シナリオをベースにして行われています。排出シナリオをもとに将来の気候変化がGCMによって予測されますし、その予測結果をもとに影響や対応策も評価されるので、今後の気候変動の研究の一番重要なところです。
新しい排出シナリオは、世界の統合評価モデルを研究しているAIMを含めた6グループが参加して議論を重ね、作業を分担しながら作成しました。その成果は2000年3月にIPCCの特別報告書として公表されました。この報告書は、Special Report on EmissionsScenariosと呼ばれ、その頭文字をとってSRESシナリオと呼ばれています。
また、今年4月に出されたIPCC第3次評価報告書では、SRESシナリオからさらに進んで、長期的な対策シナリオが作成されました。これにもAIMが参加しているだけでなく、森田恒幸さん(社会環境システム研究領域長)がこの国際プロジェクトをコーディネートしました。また、私もコーディネーターとして報告書のアジアの章をアジア各国の研究者と協力してまとめました。

IPCC第3次評価報告書作成をリードする森田さん(右から2番目)
エピソード、苦労談
-
Q:ところで、AIM開発も11年続いています。この長い間たくさんの苦労話があると思います。ぜひお聞かせ下さい。甲斐沼:1990年に当時の環境庁で地球環境研究総合推進費という新しい予算枠ができたのですが、統合評価モデルそのものを理解してもらえなくて、AIMモデル開発予算は通りませんでした。でも何もしないわけにもいかないので、その年はあちこち駆け回って補助をいただいたり、研究費をやりくりしてなんとか準備研究を始めました(翌年から予算がつきました)。最初の3年が終わった時点で、森田、原沢、松岡の3氏がインド、中国、韓国、インドネシアに、共同研究相手を探しに行ったんです。
原沢:重い液晶プロジェクターをかついで、モデルのデモンストレーションをして回りました。ある国の政府高官に説明したとき、最初の質問が「このプロジェクターはカラオケに使えるか?」。「・・・」一瞬言葉を失いました。共同研究を軌道に乗せるまで数年かかりましたが、中国エネルギー研究所やインドの経営大学院を始め、アジアの一流研究者と国際チームを作ることができました。 -
Q:カラオケねえ。つらいですね(笑)。ところでAIMは、研究所内ではどう評価されていますか?原沢:当初はなかなか厳しかったですね。研究所は自然科学系の研究者が多いですから、自分で実験や観測をしてデータをとるのが研究活動の中心になります。でもAIMは、もともと政策にどう役立つかという問題解決型モデルを志向しています。モデルそのものはオリジナルなのですが、既存のデータを利用して、将来を予測して行くという形です。そういう研究スタイルそのものへの理解に時間がかかりました。
-
Q:それだけAIMは難しいともいえますね。原沢:結構順調のように見えて、本当に苦労してここまできています。
-
Q:長い時間ありがとうございました。
メモ
-
GCMとは大循環モデル(General Circulation Model)の略称。地球の大気・海洋の循環をシミュレートするモデルです。大気大循環モデルはAGCM(Atmospheric GCM)、海洋大循環モデルはOGCM(Oceanic GCM)と呼ばれ、大気と海洋の流れや温度などの状態の時間変化を計算します。大気と海洋が相互作用する長期的な気候変化を表現するためには、AGCMとOGCMを結合したAO-GCM(大気海洋結合大循環モデル)が用いられ、温暖化研究でもこれを使います。国立環境研究所では東大気候システム研究センターと共同で、CCSR/NIESモデルと呼ばれるGCMを開発しています。
-
IPCCとは「気候変動に関する政府間パネル(Intergovernmental Panel on Climate Change)」の略です。1988年に世界気象機関(WMO)と国連環境計画(UNEP)が共同で設立した国連の組織で、二酸化炭素(CO2)などの温室効果ガスの大気中濃度、気温上昇の予測、気候変動によって人間社会や自然が受ける影響、対策など最新の知見を収集し、科学的なアセスメントを行うことを使命としています。IPCCが2001年4月に公表した第3次評価報告書は、ここ50年間の温暖化は人間活動が主たる原因であり、IPCCの新たな排出シナリオに基づく予測から1990年に比べて2100年には1.4〜5.8℃気温が上昇し、水資源、農業・食糧、自然生態系、人間社会などに深刻な影響を及ぼすと予測しています。IPCCの報告書は気候変動枠組条約締約国会議など温暖化対策を国際的に議論する際に、科学的知見をまとめたもっとも権威ある報告書として認められています。
-
京都議定書1997年に第3回気候変動枠組条約締約国会議(COP3)が京都で開かれました。この会議では、先進国全体の温室効果ガスの排出量を、2010年前後までに1990年よりも少なくとも5%削減するという法的拘束力のある数値目標が採択されました。これが京都議定書です。また目標の達成を助けるしくみとして、先進国間で削減目標に達しない国が目標より多く削減した国から排出枠を購入できるしくみ(排出量の取引)、先進国が途上国に出資したプロジェクトによる排出削減量の一部を自国の削減枠として計上できるしくみ(クリーン開発メカニズム)などが決まりました。
目次
- 環境儀 NO.2
- Simulation
- Simulation